摘 要:高纯镁砂制品作为重要的耐火材料,广泛应用于冶金、建材、玻璃等高温工业领域。其传统的烧成温度通常高达1700-1810℃,这一过程不仅消耗大量能源,还对环境造成不小压力。随着"双碳"目标的推进,工业生产对节能降耗和环保制造提出了更高要求。因此,如何有效降低高纯镁砂制品的烧成温度,已成为耐火材料领域的重要研究课题。超细粉技术为解决这一难题提供了可行路径。超细粉体因其比表面积大、表面能高和烧结活性强等特点,能够显著促进材料的烧结过程。在镁砂制品中添加适当类型和比例的超细粉,有望在降低烧成温度的同时,保持甚至提升产品的综合性能。目前,320目以上活性镁砂细粉、轻烧镁砂细粉、氢氧化镁及水镁石粉等多种镁质细粉已显示出在降低烧成温度方面的潜力,但其具体应用方案和机理仍需深入研究。本文旨在探讨不同类型超细粉对高纯镁砂制品烧成温度及性能的影响,通过实验分析确定最佳添加比例和工艺条件,为高性能镁质耐火材料的低成本、低能耗制造提供理论依据和技术支持。
原 理
超细粉体,特别是粒径小于10μm的粉体,具有独特的物理化学性质。这些性质主要包括巨大的比表面积、高的表面能和丰富的表面缺陷。当镁砂颗粒尺寸从50μm减小到1μm时,其比表面积增加约50倍,表面能增加相应倍数,烧结驱动力大幅提高。这种高的表面能提供了更大的烧结驱动力,使原子扩散更加容易,从而降低了烧结所需的活化能。
实 验
2.1 原料
本实验采用的原料为活性镁砂细粉、轻烧镁砂细粉、氢氧化镁细粉及水镁石粉,所用原料的化学组成如表1所示。
表1 原料的化学组分(w)%
2.2 原料制备
高纯烧结镁砂:MgO含量≥97.5%,SiO₂含量小于0.3wt%,粒径分为0.096-0.999mm颗粒、1-3.5mm颗粒和0.074mm以下细粉1。
超细镁砂粉:MgO含量高于97.0wt%,粒径为15μm以下,由摆式磨粉机进行二次旋风分离获得。轻烧氧化镁粉:由菱镁矿在700-1000℃下煅烧30min获得,或由盐湖氢氧化镁在650-950℃下煅烧1h获得,经细磨处理,粒径分布主要集中在5-15μm。
氢氧化镁细粉:由盐湖水氯镁石通过氨法沉镁制备,纯度高于99.0%,粒径5μm以下。
水镁石细粉:天然水镁石经研磨加工,MgO含量≥62%,粒径10μm以下。
结合剂:采用不含硫酸盐的工业糊精,与水配制成50wt%浓度的溶液。
2.3 实验设备
实验使用的主要设备包括:电子天平(精度0.001g)、行星球磨机、振动磨、立轴行星式快速搅拌机、2500T液压机、干燥箱(温度范围室温-200℃)和高温烧结炉(最高温度2000℃,可程序控温)。
2.4 实验方法
2.4.1 配方设计
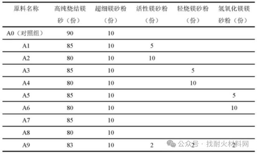
设计基础配方为:高纯烧结镁砂颗粒80-95份,超细镁砂粉5-15份。在此基础上,分别添加不同比例(1-10%)的320目活性镁砂细粉、轻烧镁砂细粉、氢氧化镁细粉和水镁石细粉,具体实验分组如表2所示。
表2 原料配比(w)%
2.4.2 混合与成型
按以下步骤进行混合与成型:
1.将超细镁砂粉和实验添加剂采用振动磨的方式混合5-10min,获得混合均匀的混合粉。
2.将高纯烧结镁砂颗粒以及结合剂采用立轴行星式快速搅拌机混合5-10min。
3.在混合料中,加入高纯烧结镁砂细粉混合5-8min。
4.加入混合粉,再混合12-15min,得到混合均匀的混合料。
5.将混合料装入模具,采用2500T液压机在100MPa压力下压制成型为标准试块(50mm×50mm×50mm)。
2.4.3 干燥与烧结
成型后的试块在90-120℃下干燥36-72h。干燥后的坯体分别在不同温度(1550℃、1600℃、1650℃、1700℃)下进行烧结,保温时间3-4h,随后自然冷却至室温。
结果与分析
3.1 不同细粉类型对烧结温度的影响
表3 不同细粉类型对烧结温度的影响
结果表明,添加超细粉能显著提高各温度下制品的体积密度。在相同温度下,添加轻烧镁砂细粉的试样体积密度最高,添加氢氧化镁细粉和活性镁砂细粉的试样次之,添加水镁石细粉的试样也有明显改善但效果略逊,对照组最低。特别是在1550℃时,添加轻烧镁砂细粉的试样体积密度已达到2.98g/cm³,接近对照组1600℃时的水平(2.98g/cm³),表明烧结温度可降低约50℃。
这一结果与轻烧镁砂细粉的高活性密切相关2。轻烧氧化镁粉含有丰富的晶格缺陷,这些缺陷为原子扩散提供了快捷路径,提高了扩散系数,使烧结过程可以在更低温度下进行。此外,轻烧氧化镁具有更高的缺陷能,从而具有更大的烧结驱动力,可以促进MgO晶体的发育。
3.2 不同添加量对制品性能的影响
我们进一步研究了轻烧镁砂细粉添加量对制品性能的影响。在1650℃烧结温度下,不同添加量试样的性能测试结果如表4所示。
表4 轻烧镁砂细粉添加量对制品性能的影响(1650℃烧结)
从表4可以看出,随着轻烧镁砂细粉添加量的增加,制品的体积密度和耐压强度逐渐提高,显气孔率逐渐降低。当添加量达到10%时(A4),体积密度达到3.15g/cm³,比对照组提高约6.4%;耐压强度达到108MPa,比对照组提高约38.5%。
值得注意的是,采用复合添加多种超细粉的A9组试样性能最佳,体积密度达到3.15g/cm³,显气孔率低至10.2%,耐压强度高达115MPa。这表明不同种类的超细粉可能存在协同效应,能够更有效地促进烧结过程。
分析认为,超细粉的添加增加了颗粒与颗粒表面、颗粒与粉体表面的接触面积,易于烧结,同时降低烧结温度,保证烧结过程中不产生开裂及变形。
工业应用与经济效益分析
4.1 工业应用案例
超细粉技术在镁砂制品工业中的应用已取得显著成效。以下是一些成功应用案例:
某耐火材料企业采用浮选菱镁矿高纯烧结镁砂为主要原料,添加超细镁砂粉(粒径15μm以下)5-15份、高纯氧化硅粉0.05-0.5份和高纯硅酸镁粉0.05-0.5份,结合剂采用不含硫酸盐的工业糊精1。通过优化配料和工艺,使制品烧结温度从传统的1750℃降低至1680℃以下,降低了70℃以上。
该企业生产的镁砖不仅烧结温度降低,性能也有显著提升:抗碱侵蚀性能及抗热震性更优,蠕变率更小。特别是在950℃空气急冷条件下的抗热震性达到12次以上,远高于传统镁砖的8次。
4.2 节能降耗分析
采用超细粉技术降低烧结温度可带来显著的节能效果。以年产1.5万吨镁砂制品生产线为例,对节能降耗效果进行分析:
传统烧结温度约为1750℃,添加超细粉后烧结温度可降低至1650-1680℃,降低约70-100℃。根据热工计算,每降低100℃烧结温度,可节省燃料消耗约8-12%。按此计算,每年可节省天然气约120-180万立方米,减少二氧化碳排放约2500-3800吨。
此外,烧结温度降低还带来其他益处:
窑炉寿命延长:降低烧结温度可显著减轻窑炉耐火材料的负荷,延长窑炉使用寿命,减少维修次数和停窑时间。
生产成本降低:燃料消耗减少直接降低生产成本,同时窑炉寿命延长也间接降低生产成本。
环境保护:减少燃料消耗意味着减少二氧化碳和氮氧化物等污染物的排放,有利于环境保护。
结论与展望
(1)添加超细粉能显著降低高纯镁砂制品的烧成温度。添加5-10%的轻烧镁砂细粉可使烧结温度降低约50-70℃,从1700-1750℃降至1650℃左右,且制品性能达到甚至超过传统工艺1700℃烧结的水平。
(2)轻烧镁砂细粉在降低烧结温度方面效果最为显著,这与其高活性、丰富晶格缺陷和独特颗粒形貌密切相关。轻烧氧化镁具有更高的缺陷能,从而具有更大的烧结驱动力,可以促进MgO晶体的发育。
(3)进一步优化超细粉的复配方案:研究不同种类超细粉(如纳米氧化铝、氧化锆等)的复合添加效应,探索更高效的复配方案,进一步降低烧结温度并提高产品性能。
(4)探索更低温度烧结技术:研究微波烧结、放电等离子烧结等新型烧结技术,结合超细粉技术,进一步降低烧结温度,缩短烧结时间,实现超低温烧结(<1500℃)高性能镁砂制品。
(5)拓展超细粉应用领域:将超细粉技术推广应用至其他耐火材料领域,如镁铬砖、镁铝尖晶石砖等,推动整个耐火材料行业的节能降耗和技术进步。

